WT0132C6-S5 模块是一款低功耗高性价比的嵌入式无线网络控制模块。可满足智能电网、楼宇自动化、安防、智能家居、远程医疗等物联网应用的需求。
WT0132C6-S5 该模块核心处理器 ESP32-C6 在较小尺寸封装中集成了业界领先的一个高性能RISC-V 32 位处理器和一个低功耗 RISC-V 32 位处理器。
WT0132C6-S5模块支持2.4 GHz Wi-Fi 6、Bluetooth LE v5.3、Zigbee 3.0 及 Thread 1.3系统级芯片 (SoC)集成了,共用同一个天线 。
主频最高支持 160 MHz,PCB 板载及ipex双天线可切换。用户可以使用该模块为现有的设备添加蓝牙配网及联网功能,也可以构建独立的网络控制器。
主要特性
1
硬件
内置ESP32-C6 芯片, RISC-V 32 位单核微处理器,主频最高 160MHz
板载PCB 天线
支持GPIO,SPI,UART,I2C,I2S,红外收发器,LED PWM 控制器,USB JTAG 接口, 通用 DMA 控制器, TWAITM 控制器( 兼容 ISO11898-1), 温度传感器, SAR 模/数转换器
2
存储
SRAM 512KB;
ROM 320KB ;
模组内置Flash 4MB
3
Wi-Fi
支持IEEE 802.11 ax 协议
支持1T1R 模式,数据速率高达 150 Mbps
Wi-Fi 2.4 GHz,支持 WEP/WPA-PSK/WPA2-PSK 安全模式
帧聚合(TX/RX A-MPDU, RX A-MSDU)
4
蓝牙
低功耗蓝牙 5.3(Bluetooth LE): Bluetooth LEv5.3、Bluetooth mesh
速率支持 125 Kbps、500 Kbps、1 Mbps、2Mbps
5
多媒体
广播扩展(Advertising Extensions)
多广播(Multiple Advertisement Sets)
信道选择(Channel Selection Algorithm#2)
6
封装
采用QFN40(5*5) 封装
采用SDM-19 封装(图 4 模块尺寸)
7
其他
支持STA/AP/STA+AP 工作模式
支持远程 OTA
工作电压:3.3V
工作环境温度:-40-105°C
硬件规格
1
硬件框图
图1 硬件框图

2
引脚描述
图2 产品实物引脚图
表1 引脚定义及描述
表2 出厂默认AT指令通信引脚
3
Strapping管脚
WT0132C6-S5模块每次上电或复位时,都需要一些初始配置参数,如加载芯片的启动模式等。这些参数通过strapping管脚控制。复位放开后,strapping管脚和普通IO管脚功能相同。芯片复位时,strapping 管脚在复位时控制以下参数:
SDIO 输入采样沿和输出驱动沿– MTMS 和 MTDI
芯片启动模式– GPIO8 和 GPIO9
ROM 代码日志打印– GPIO8
JTAG 信号源– GPIO15
GPIO9在芯片复位时连接芯片内部的弱上拉电阻。如果GPIO9 管脚没有外部连接或者连接的外部线路处于高阻抗状态,内部弱上拉将决定GPIO9 的默认值。
表 3 Strapping 管脚

表 4 系统启动模式

表 5 系统启动过程中,控制 ROMCode打印

表 6 Strapping 管脚的时序参数说明

如图 5显示了 CHIP_EN上电前和上电后 Strapping管脚的建立时间和保持时间。
图5建立时间和保持时间

电气特性
1
绝对最大额定值
超出绝对最大额定值可能导致器件永久性损坏。这只是强调的额定值,不涉及器件在这些或其它条件下超出本技术规格指标的功能性操作。长时间暴露在绝对最大额定条件下可能会影响模组的可靠性。
2
建议工作条件
表7:工作条件

3
功耗
表8:射频功耗

表9:功耗模式

应用说明
1
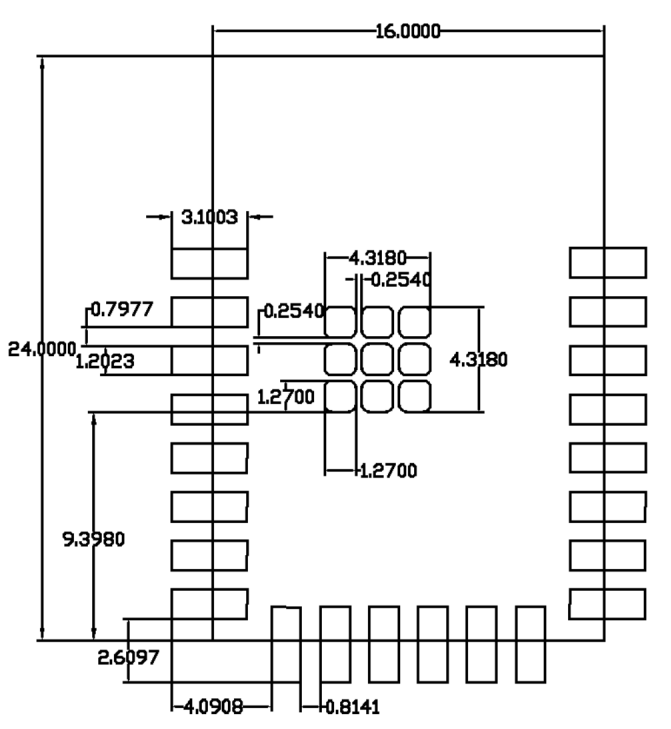
模块尺寸
图4 模块尺寸

采用SDM-19封装(图4模块尺寸)
2
回流焊曲线图

3
模组原理图

4
外围设计原理图
模组与外围器件(如电源、天线、复位按钮、JTAG接口、UART接口等)连接的应用电路图。
图7应用电路图

EPAD可以不焊接到底板,但是焊接到底板的 GND可以获得更好的散热特性。如果您想将 EPAD焊接到底板,请确保焊膏使用量正确。
为确保ESP32-C6系列芯片上电时的供电正常,EN管脚处模块内部已经增加 RC延迟电路。模块外围可以需要加RC电路。
如有特殊模块需要做低功耗,模块内部将取消RC电路,外围需要增加RC延迟电路,通常建议为 R=10kΩ,C=1µF,但具体数值仍需根据模组电源的上电时序和芯片的上电复位时序进行调整
- 随机文章
- 热门文章
- 热评文章
- 开特股份超额配售270万股 本次发行募集资金净额约为1.23亿元
- 三友科技(834475):投资者关系管理档案制度
- 永顺生物下跌5.28%,报9.32元/股
- 五粮液亮相首届链博会,以“绿色”“和美”链接世界
- 招商轮船(601872):招商轮船2023年第三次临时股东大会通知
- 工商银行申请计算资源评估技术专利,提高评估准确率
- 任翠英:标准助力预应力及棒线材高质量发展
- 香港统计处:2022年进出口贸易、批发及零售业以及住宿及膳食服务业总收益为52455亿元 同比下跌5.2%